Nous sommes le 30 Avr 2026 10:36

Heures au format UTC [ Heure d’été ]




Poster un nouveau sujet Répondre au sujet  [ 546 messages ]  Aller à la page Précédente  1, 2, 3, 4, 5 ... 37  Suivante
Auteur Message
 Sujet du message: Re: Renault TRM2000
MessagePosté: 01 Mai 2025 20:46 
Hors ligne
Avatar de l’utilisateur

Inscription: 01 Oct 2011 17:19
Messages: 14567
Localisation: 01 bourg en bresse
Forstenried a écrit:
Je suis impatient et content de retrouver des circuits pneumatiques.

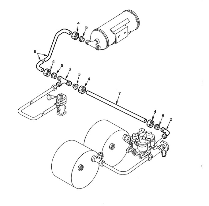
Fichier(s) joint(s):
Bremssystemschema.jpg


10 ans dans le freinage poid-lourd. Ca va me rajeunir!


Il y a deux choses à savoir sur ces circuits pour pas être enmerdé l hiver.
Remplir le bocal d alcool, et purger les bouteilles le soir .

Voilà, c est tout

_________________
_______________________________________

Ils ne savaient pas que c'était impossible.

ils l'ont fait !!!! Antoine de St Exupery


Haut
 Profil  
 
 Sujet du message: Re: Renault TRM2000
MessagePosté: 01 Mai 2025 20:51 
Hors ligne
Avatar de l’utilisateur

Inscription: 01 Oct 2011 17:19
Messages: 14567
Localisation: 01 bourg en bresse
Forstenried a écrit:
Je suis impatient et content de retrouver des circuits pneumatiques.

Fichier(s) joint(s):
Bremssystemschema.jpg


10 ans dans le freinage poid-lourd. Ca va me rajeunir!


Il y a 2 chose à savoir sur les circuits de freinage l hiver.

1 tenir le bocal à alcool plein
2 purger les bouteilles le soir.
Voilà c est tout

_________________
_______________________________________

Ils ne savaient pas que c'était impossible.

ils l'ont fait !!!! Antoine de St Exupery


Haut
 Profil  
 
 Sujet du message: Re: Renault TRM2000
MessagePosté: 01 Mai 2025 21:05 
Hors ligne
Avatar de l’utilisateur

Inscription: 24 Mar 2013 18:37
Messages: 16962
Localisation: Dans le midi
claude 39 a écrit:
Il y a eu diverses motorisations ?


en Militaire, un seul moteur en version 3.6l 110 ch (rappel : il date de 1981, fin de fab en 1990, ne pas comparer aux puissances d'aujourd'hui)
en Civil, il a existé en 3.6l 110 ch ,130 ch et 5.5l 170 ch, 180 ch et 210 ch, fin de fab en 2000

Le Marmon (SUMBR) a eu le 110ch, ce qui simplifiait aussi la maintenance, mêmes pièces.
On a eu le même schéma quand le camion logistique était le Renaut G, même moteur que le VAB et que le chargeur MPG du Génie entre autres.

_________________
R2087 torpédo de 1957


Haut
 Profil  
 
 Sujet du message: Re: Renault TRM2000
MessagePosté: 01 Mai 2025 21:18 
En ligne
Avatar de l’utilisateur

Inscription: 07 Juin 2013 22:43
Messages: 29180
Localisation: Bavière-Allemagne
godasse01 a écrit:
Forstenried a écrit:
Je suis impatient et content de retrouver des circuits pneumatiques.

Fichier(s) joint(s):
Bremssystemschema.jpg


10 ans dans le freinage poid-lourd. Ca va me rajeunir!


Il y a 2 chose à savoir sur les circuits de freinage l hiver.

1 tenir le bocal à alcool plein
2 purger les bouteilles le soir.
Voilà c est tout


Impecc.
Il y'a eu des versions avec dessiccateur. Comme toutes mes photos (faites par Sylvain que je remercie) sont sur mon portable que j'ai oublié en France, je ne peux pas regarder.

_________________
Ambulance de 1964 - Faut que ca tourne!!!
Image


Haut
 Profil  
 
 Sujet du message: Re: Renault TRM2000
MessagePosté: 02 Mai 2025 09:26 
Hors ligne
Avatar de l’utilisateur

Inscription: 01 Oct 2011 17:19
Messages: 14567
Localisation: 01 bourg en bresse
Je ne pense pas qu il y est eu des dessicateurs sur les trm
Renault s y est mit plus tard que les allemands.
Après, c est pas la plaie.
C est juste des habitudes de conduites.


Tu vas avoir les bouteilles d air à changer ??
C est quoi la date limite en Allemagne?

_________________
_______________________________________

Ils ne savaient pas que c'était impossible.

ils l'ont fait !!!! Antoine de St Exupery


Haut
 Profil  
 
 Sujet du message: Re: Renault TRM2000
MessagePosté: 02 Mai 2025 09:45 
En ligne
Avatar de l’utilisateur

Inscription: 07 Juin 2013 22:43
Messages: 29180
Localisation: Bavière-Allemagne
Je pense que oui.
Le CT mentionne:"Justificatif de suivi des bouteilles non conforme ou absent" C'est à cette date encore une remarque mineur mais les Allemands ne laisseront pas passer cela pour une importation.

La société qui a fait les bouteilles de frein de service et parking est toujours en activité à Montluçon. La bouteille de remorque est standard. On verra bien.

Sinon, pour le dessiccateur, il fait parti du catalogue des piéces de rechange (MAT3364 Juillet 2001). C'est un Knorr-Bremse. Je pense que les derniéres version ont du en être équipées. Ou alors une modif post production?

_________________
Ambulance de 1964 - Faut que ca tourne!!!
Image


Haut
 Profil  
 
 Sujet du message: Re: Renault TRM2000
MessagePosté: 02 Mai 2025 11:36 
Hors ligne
Avatar de l’utilisateur

Inscription: 28 Sep 2013 10:24
Messages: 17028
Localisation: AUXOIS NORD !!!
Un 6 roues alors :wink:

_________________
Diab


Haut
 Profil  
 
 Sujet du message: Re: Renault TRM2000
MessagePosté: 02 Mai 2025 11:46 
Hors ligne
Avatar de l’utilisateur

Inscription: 01 Oct 2011 17:19
Messages: 14567
Localisation: 01 bourg en bresse
T aurais du négocier le prix des bouteilles.

T as 3 bouteilles à changer. C est guere plus cher qu une mise a l épreuve .d'ailleurs pas dis qu il existe encore des boîtes qui le font.

Et facile à faire

_________________
_______________________________________

Ils ne savaient pas que c'était impossible.

ils l'ont fait !!!! Antoine de St Exupery


Haut
 Profil  
 
 Sujet du message: Re: Renault TRM2000
MessagePosté: 02 Mai 2025 15:13 
En ligne
Avatar de l’utilisateur

Inscription: 07 Juin 2013 22:43
Messages: 29180
Localisation: Bavière-Allemagne
Comme identiquer plus haut, l'entreprise existe encore pour les réservoirs primaires et secondaires qui sont plus des cylindres que des bombonnes. Ensuite pas dit qu'ils en font encore de ce modèle.
Je vais leur écrire.

_________________
Ambulance de 1964 - Faut que ca tourne!!!
Image


Haut
 Profil  
 
 Sujet du message: Re: Renault TRM2000
MessagePosté: 02 Mai 2025 15:54 
Hors ligne
Avatar de l’utilisateur

Inscription: 01 Oct 2011 17:19
Messages: 14567
Localisation: 01 bourg en bresse
Après, tu montes de l adaptable .
La marque n as aucune incidence.
Il faut juste trouver le bon diamètre et la longueur.

_________________
_______________________________________

Ils ne savaient pas que c'était impossible.

ils l'ont fait !!!! Antoine de St Exupery


Haut
 Profil  
 
 Sujet du message: Re: Renault TRM2000
MessagePosté: 02 Mai 2025 16:42 
Hors ligne
Avatar de l’utilisateur

Inscription: 16 Juil 2006 18:08
Messages: 62520
Localisation: Jura
Merci pour ta réponse Voltigeur ! :pouce:

_________________
Claude Girod


"Ils sont complètement cinglés mais j'adore !!!" (Pierre 62)


Haut
 Profil  
 
 Sujet du message: Re: Renault TRM2000
MessagePosté: 02 Mai 2025 16:44 
Hors ligne
Avatar de l’utilisateur

Inscription: 01 Oct 2011 17:19
Messages: 14567
Localisation: 01 bourg en bresse
https://www.hobifrance.com/sites/defaul ... Light2.pdf

_________________
_______________________________________

Ils ne savaient pas que c'était impossible.

ils l'ont fait !!!! Antoine de St Exupery


Haut
 Profil  
 
 Sujet du message: Re: Renault TRM2000
MessagePosté: 02 Mai 2025 19:54 
En ligne
Avatar de l’utilisateur

Inscription: 07 Juin 2013 22:43
Messages: 29180
Localisation: Bavière-Allemagne
Bonne adresse merci.

Si le reservoir 6L pour la remorque ne doit pas coûter plus de 30,- €, ceux des freins de services et parking sont plus spéciaux.

Fichier(s) joint(s):
TRM behälter 01.jpg
TRM behälter 01.jpg [ 64.98 Kio | Vu 392 fois ]


Fichier(s) joint(s):
TRM behälter 02.jpg
TRM behälter 02.jpg [ 86.62 Kio | Vu 392 fois ]

_________________
Ambulance de 1964 - Faut que ca tourne!!!
Image


Haut
 Profil  
 
 Sujet du message: Re: Renault TRM2000
MessagePosté: 13 Mai 2025 14:03 
En ligne
Avatar de l’utilisateur

Inscription: 07 Juin 2013 22:43
Messages: 29180
Localisation: Bavière-Allemagne
Demain, c'est le grand jour!

_________________
Ambulance de 1964 - Faut que ca tourne!!!
Image


Haut
 Profil  
 
 Sujet du message: Re: Renault TRM2000
MessagePosté: 13 Mai 2025 14:29 
Hors ligne
Avatar de l’utilisateur

Inscription: 27 Juin 2006 15:28
Messages: 13949
Localisation: IDF
Une fois en état, tu attelles une remorque, tu mets l'ADH ou la goulette dessus et tu viens avec le tout à Briançon ? :dubi: :D


Il présente bien.


Haut
 Profil  
 
Afficher les messages postés depuis:  Trier par  
Poster un nouveau sujet Répondre au sujet  [ 546 messages ]  Aller à la page Précédente  1, 2, 3, 4, 5 ... 37  Suivante

Heures au format UTC [ Heure d’été ]


Qui est en ligne

Utilisateurs parcourant ce forum: Aucun utilisateur enregistré et 2 invités


Vous ne pouvez pas poster de nouveaux sujets
Vous ne pouvez pas répondre aux sujets
Vous ne pouvez pas éditer vos messages
Vous ne pouvez pas supprimer vos messages
Vous ne pouvez pas joindre des fichiers

Rechercher:
Développé par phpBB® Forum Software © phpBB Group
Traduction par phpBB-fr.com