Nous sommes le 30 Avr 2026 05:56

Heures au format UTC [ Heure d’été ]




Poster un nouveau sujet Répondre au sujet  [ 34 messages ]  Aller à la page 1, 2, 3  Suivante
Auteur Message
 Sujet du message: Schémas électriques
MessagePosté: 13 Mar 2017 22:52 
Hors ligne
Avatar de l’utilisateur

Inscription: 08 Juin 2016 21:33
Messages: 249
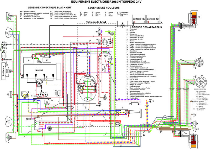
Voila le schéma du câblage issu du MAT-3267 modifié pour les les adaptations électriques tel que l'ajout de feux arrière de P4 et un ventilateur de refroidissement électrique en 12v sur du 24v, feux de recul/travail arrière, voyant de surchauffe et clignotant au tableau de bord.

Fichier(s) joint(s):
Fichier(s) joint(s):
Schéma électrique R2087 torpédo 24V.jpg
Schéma électrique R2087 torpédo 24V.jpg [ 4.99 Mio | Vu 10743 fois ]

Commentaire: Modifié le 12/02/2017



Concernant la section des calables que j'ai choisi, en fonction du manuel MR59 cf. page 50. Tout en sachant que le voltage est en 12v sur le MR59, les sections des câbles seront largement suffisantes pour du 24V. (Converti après de longues recherches sur le net)

Ø-----------section mm²-----Section câble mis
09/10 Ø----0,64 mm²--------0,75 mm²
12/10 Ø----1,13 mm²--------1,50 mm²
16/10 Ø----2,01 mm²--------2,50 mm²
20/10 Ø----3,14 mm²--------4,00 mm²
25/10 Ø----4,91 mm²--------6,00 mm²
55/10 Ø---23,75 mm²------25,00 mm²


Schéma du tableau de bord, avec l'ajout de deux voyant, un pour les clignotant et l'autre pour la surchauffe.

Fichier(s) joint(s):
Fichier(s) joint(s):
Tableau de bond.jpg
Tableau de bond.jpg [ 739.66 Kio | Vu 10743 fois ]



Pour ceux qui ont du mal à comprendre leur sélecteur de black out :

Position-----Fonctions

BO DR-----Blackout Drive (La lumière sur l'aile des conducteurs / garde-boue), feux de positions BO et feux de stop BO

BO MK-----Feux de position et feux de stop

OFF--------Position entre le BO MK et le STOP LT. Pas de lumières.

STOP LT----Voyant de frein normal

HD LTS-----Phares normaux, feux arrières, feux de freinage et feux de panneaux

Pour le branchement du sélecteur voir le schéma électrique

PS : le schéma électrique n'est pas définitifs, car des erreurs peuvent être détectées lors des branchements.

_________________
R2087N Torpédo 1963 http://www.r2087.com/forum/viewtopic.php?f=7&t=7049
R2087N Ambulance 1959 http://www.r2087.com/forum/viewtopic.php?f=7&t=7255


Haut
 Profil  
 
 Sujet du message: Re: Schémas électriques
MessagePosté: 14 Mar 2017 07:16 
Hors ligne
Avatar de l’utilisateur

Inscription: 07 Juin 2013 22:43
Messages: 29180
Localisation: Bavière-Allemagne
Tres bien. :pouce:
Merci. :-D

_________________
Ambulance de 1964 - Faut que ca tourne!!!
Image


Haut
 Profil  
 
 Sujet du message: Re: Schémas électriques
MessagePosté: 14 Mar 2017 15:33 
Hors ligne
Avatar de l’utilisateur

Inscription: 08 Fév 2009 14:37
Messages: 12435
Localisation: Seine St Denis
Ne pas chercher le Black Out Drive, il n'y en a pas ... :D Mais le fil est en place . Je l'ai constaté sur mon ambulance. :-D :wink:


Haut
 Profil  
 
 Sujet du message: Re: Schémas électriques
MessagePosté: 14 Mar 2017 21:43 
Hors ligne
Avatar de l’utilisateur

Inscription: 08 Juin 2016 21:33
Messages: 249
PIERRE 62 a écrit:
Ne pas chercher le Black Out Drive, il n'y en a pas ... :D Mais le fil est en place . Je l'ai constaté sur mon ambulance. :-D :wink:


Si on regarde bien le schéma le fil de BOD est mis en place mais donne dans le vide.
Je vais l'installer sur le mien lors de la restauration, c'est pour faire de la contre bande et du braconnage... LOL Sinon a part ça je ne vois pas à quoi ça sert, on verra si je l'utilise.

_________________
R2087N Torpédo 1963 http://www.r2087.com/forum/viewtopic.php?f=7&t=7049
R2087N Ambulance 1959 http://www.r2087.com/forum/viewtopic.php?f=7&t=7255


Haut
 Profil  
 
 Sujet du message: Re: Schémas électriques
MessagePosté: 14 Mar 2017 23:00 
Hors ligne
Avatar de l’utilisateur

Inscription: 08 Fév 2009 14:37
Messages: 12435
Localisation: Seine St Denis
Wala09 a écrit:
PIERRE 62 a écrit:
Ne pas chercher le Black Out Drive, il n'y en a pas ... :D Mais le fil est en place . Je l'ai constaté sur mon ambulance. :-D :wink:


Si on regarde bien le schéma le fil de BOD est mis en place mais donne dans le vide.


C'est tout à fait çà ! :wink:


Haut
 Profil  
 
 Sujet du message: Re: Schémas électriques
MessagePosté: 08 Mai 2017 21:36 
Hors ligne
Avatar de l’utilisateur

Inscription: 08 Juin 2016 21:33
Messages: 249
Câblage centrale clignotante, ce n'est pas le modèle d'origine.

Fichier(s) joint(s):
Centrale.jpg
Centrale.jpg [ 79.51 Kio | Vu 10641 fois ]


T.R : Lampe témoin remorque
- : Masse
+ : Alimentation
T.TR : Lampe témoin tracteur
ST : STOP (je ne sais pas trop a quoi ça correspond, mais en me basant sur le schéma du TP3 j'en ai déduit ça, a confirmer)
R.ARG : Clignotant gauche de la remorque
TR.AVG : Clignotant avant gauche du tracteur
TR.ARG : Clignotant arrière gauche du tracteur
G : Retour contact Gauche
D : Retour contact Droit
TR.ARD : Clignotant arrière droit du tracteur
TR.AVD : Clignotant avant droit du tracteur
R.ARD : Clignotant droit de la remorque

Le fusible est normalement un de 2A.

_________________
R2087N Torpédo 1963 http://www.r2087.com/forum/viewtopic.php?f=7&t=7049
R2087N Ambulance 1959 http://www.r2087.com/forum/viewtopic.php?f=7&t=7255


Haut
 Profil  
 
 Sujet du message: Re: Schémas électriques
MessagePosté: 28 Juin 2017 22:00 
Hors ligne
Avatar de l’utilisateur

Inscription: 08 Juin 2016 21:33
Messages: 249
Après les le fils branché sur ''ST'' permet d'allumer les feux clignotants arrière en même temps que les feux stop.
Il faut évité de le brancher si vos clignotant sont orange. :lol:

_________________
R2087N Torpédo 1963 http://www.r2087.com/forum/viewtopic.php?f=7&t=7049
R2087N Ambulance 1959 http://www.r2087.com/forum/viewtopic.php?f=7&t=7255


Haut
 Profil  
 
 Sujet du message: Re: Schémas électriques
MessagePosté: 14 Mar 2020 21:30 
Hors ligne
Avatar de l’utilisateur

Inscription: 08 Juin 2016 21:33
Messages: 249
Shémas avec un alternateur.
Lien de l'alternateur monté :
https://www.piecesauto.com/fr/alternateur-neuf/cv-psh-916-006-035-010/300031.2010661.html

Fichier(s) joint(s):
Equipement élec alternateur  fil couleur.jpg
Equipement élec alternateur fil couleur.jpg [ 780 Kio | Vu 9828 fois ]


Fichier(s) joint(s):
Cablege compteur Témoi Charge.jpg
Cablege compteur Témoi Charge.jpg [ 840.82 Kio | Vu 9828 fois ]

_________________
R2087N Torpédo 1963 http://www.r2087.com/forum/viewtopic.php?f=7&t=7049
R2087N Ambulance 1959 http://www.r2087.com/forum/viewtopic.php?f=7&t=7255


Dernière édition par Wala09 le 10 Avr 2020 07:11, édité 3 fois.

Haut
 Profil  
 
 Sujet du message: Re: Schémas électriques
MessagePosté: 14 Mar 2020 22:25 
Hors ligne
Avatar de l’utilisateur

Inscription: 17 Oct 2005 21:40
Messages: 25253
Localisation: Liège - BELGIQUE
super tes schémas, un grand merci, certains qu'ils serviront ! :pouce:
Pour le câble des batteries, le 25 carré peut être remplacé par du 35 carré (pas vraiment plus cher ) :wink:

_________________
En Belgique, on n’a peut-être pas beaucoup de champions du monde,
mais dans le monde, ils n’ont pas autant de champions de Belgique que chez nous.
P.Geluck
La Belgique c'est compliqué : https://www.youtube.com/watch?v=iSonxAk71UI


Haut
 Profil  
 
 Sujet du message: Re: Schémas électriques
MessagePosté: 15 Mar 2020 00:42 
Hors ligne
Avatar de l’utilisateur

Inscription: 24 Mar 2013 18:37
Messages: 16962
Localisation: Dans le midi
on voit pas les schémas sauf si on clique dessus :dubi:

_________________
R2087 torpédo de 1957


Haut
 Profil  
 
 Sujet du message: Re: Schémas électriques
MessagePosté: 15 Mar 2020 08:11 
Hors ligne
Avatar de l’utilisateur

Inscription: 08 Juin 2016 21:33
Messages: 249
BM a écrit:
super tes schémas, un grand merci, certains qu'ils serviront ! :pouce:
Pour le câble des batteries, le 25 carré peut être remplacé par du 35 carré (pas vraiment plus cher ) :wink:


On peut le remplacer par n'importe quelle section du moment qu'elle est plus éllévée.
Mais comme je suis en 24V je peut remplacer le 25mm² par du 12,5mm² (calcul théorique) car les section sont calculer pour du 12V.

_________________
R2087N Torpédo 1963 http://www.r2087.com/forum/viewtopic.php?f=7&t=7049
R2087N Ambulance 1959 http://www.r2087.com/forum/viewtopic.php?f=7&t=7255


Haut
 Profil  
 
 Sujet du message: Re: Schémas électriques
MessagePosté: 15 Avr 2020 07:18 
Hors ligne
Avatar de l’utilisateur

Inscription: 10 Sep 2019 18:28
Messages: 998
Localisation: Asturias, España
Wala09 a écrit:
Voila le schéma du câblage issu du MAT-3267 modifié pour les les adaptations électriques tel que l'ajout de feux arrière de P4 et un ventilateur de refroidissement électrique en 12v sur du 24v, feux de recul/travail arrière, voyant de surchauffe et clignotant au tableau de bord.

Fichier(s) joint(s):
Fichier(s) joint(s):
Schéma électrique R2087 torpédo 24V.jpg

Commentaire: Modifié le 12/02/2017



Concernant la section des calables que j'ai choisi, en fonction du manuel MR59 cf. page 50. Tout en sachant que le voltage est en 12v sur le MR59, les sections des câbles seront largement suffisantes pour du 24V. (Converti après de longues recherches sur le net)

Ø-----------section mm²-----Section câble mis
09/10 Ø----0,64 mm²--------0,75 mm²
12/10 Ø----1,13 mm²--------1,50 mm²
16/10 Ø----2,01 mm²--------2,50 mm²
20/10 Ø----3,14 mm²--------4,00 mm²
25/10 Ø----4,91 mm²--------6,00 mm²
55/10 Ø---23,75 mm²------25,00 mm²


Schéma du tableau de bord, avec l'ajout de deux voyant, un pour les clignotant et l'autre pour la surchauffe.

Fichier(s) joint(s):
Fichier(s) joint(s):
Tableau de bond.jpg



Pour ceux qui ont du mal à comprendre leur sélecteur de black out :

Position-----Fonctions

BO DR-----Blackout Drive (La lumière sur l'aile des conducteurs / garde-boue), feux de positions BO et feux de stop BO

BO MK-----Feux de position et feux de stop

OFF--------Position entre le BO MK et le STOP LT. Pas de lumières.

STOP LT----Voyant de frein normal

HD LTS-----Phares normaux, feux arrières, feux de freinage et feux de panneaux

Pour le branchement du sélecteur voir le schéma électrique

PS : le schéma électrique n'est pas définitifs, car des erreurs peuvent être détectées lors des branchements.


Bonjour.
Existe-t-il un moyen de connaître les mesures des sections de câble de chaque couleur qui apparaît dans le schéma?? :dubi:
J'espère bien m'expliquer, desole

_________________
https://www.instagram.com/toxo.delnorte/


Haut
 Profil  
 
 Sujet du message: Re: Schémas électriques
MessagePosté: 15 Avr 2020 08:05 
Hors ligne
Avatar de l’utilisateur

Inscription: 08 Juin 2016 21:33
Messages: 249
Veuillez trouver ci-joint le tableau détaillant tous le cablage. Il y a également les corespondances entre les versions civil et militaire.
Puis le fichier PDF joint présente une version simplifiée pour l'imprimer.
Il y a également la corespondant des sections avec celles présentes sur la notice technique.

Fichier(s) joint(s):
Electricitré R2087 torpédo.jpg
Electricitré R2087 torpédo.jpg [ 2.68 Mio | Vu 9789 fois ]


Fichier(s) joint(s):
Electricitré R2087 torpédo.pdf [118.52 Kio]
Téléchargé 241 fois


En espérent que celà soit simple à comprendre.

_________________
R2087N Torpédo 1963 http://www.r2087.com/forum/viewtopic.php?f=7&t=7049
R2087N Ambulance 1959 http://www.r2087.com/forum/viewtopic.php?f=7&t=7255


Dernière édition par Wala09 le 15 Avr 2020 20:15, édité 1 fois.

Haut
 Profil  
 
 Sujet du message: Re: Schémas électriques
MessagePosté: 15 Avr 2020 08:23 
Hors ligne
Avatar de l’utilisateur

Inscription: 16 Sep 2012 21:24
Messages: 7770
Localisation: Allier
Moto-ventilateur ,feu de recul . :dubi:

_________________
https://www.youtube.com/user/matanzaka/videos


Haut
 Profil  
 
 Sujet du message: Re: Schémas électriques
MessagePosté: 15 Avr 2020 08:27 
Hors ligne
Avatar de l’utilisateur

Inscription: 10 Sep 2019 18:28
Messages: 998
Localisation: Asturias, España
Devrait être inclus dans le schéma, il serait plus facile de comprendre chaque couleur, chaque section.
D'un autre côté, mon véhicule est une ambulance militaire 24v.
Cela correspond à la version militaire, non?
Merci

_________________
https://www.instagram.com/toxo.delnorte/


Haut
 Profil  
 
Afficher les messages postés depuis:  Trier par  
Poster un nouveau sujet Répondre au sujet  [ 34 messages ]  Aller à la page 1, 2, 3  Suivante

Heures au format UTC [ Heure d’été ]


Qui est en ligne

Utilisateurs parcourant ce forum: Aucun utilisateur enregistré et 0 invités


Vous ne pouvez pas poster de nouveaux sujets
Vous ne pouvez pas répondre aux sujets
Vous ne pouvez pas éditer vos messages
Vous ne pouvez pas supprimer vos messages
Vous ne pouvez pas joindre des fichiers

Rechercher:
Développé par phpBB® Forum Software © phpBB Group
Traduction par phpBB-fr.com